BMW Serie 3 E90/E91/E92/E93 modifiche BMW 320d coupè M, i miei step.............nel tempo che viene

Discussione in 'BMW Serie 3 E90-E91-E92-E93' iniziata da salpone, 16 Settembre 2012.

  1. ____ANGEL___

    ____ANGEL___

    3.992
    1.147
    19 Novembre 2009
    Reputazione:
    207.690.840
    bmw
    è giusto, posso collegarmi con teamviewer?
     
  2. salpone

    salpone Presidente Onorario BMW

    14.745
    2.718
    12 Gennaio 2012
    praia a mare
    Reputazione:
    294.409.643
    320d E92 Msport
    Domani mattina controllo cablaggio prima e scendo PC alla macchina , cosi in giornata verifichiamo. Anche se c.è il carissimo [MENTION=53598]Thriller[/MENTION] vediamo di risolvere.
     
  3. ____ANGEL___

    ____ANGEL___

    3.992
    1.147
    19 Novembre 2009
    Reputazione:
    207.690.840
    bmw
    certo, controlla il cablaggio e con la pulsantiera nuova deve andare, sono 2 fili messi in croce, non c'è molto
     
  4. salpone

    salpone Presidente Onorario BMW

    14.745
    2.718
    12 Gennaio 2012
    praia a mare
    Reputazione:
    294.409.643
    320d E92 Msport
    Si visto 22 e 23 .
     
  5. ____ANGEL___

    ____ANGEL___

    3.992
    1.147
    19 Novembre 2009
    Reputazione:
    207.690.840
    bmw
    ma da dove hai preso quella pulsantiera e specchi?
     
  6. salpone

    salpone Presidente Onorario BMW

    14.745
    2.718
    12 Gennaio 2012
    praia a mare
    Reputazione:
    294.409.643
    320d E92 Msport
  7. salpone

    salpone Presidente Onorario BMW

    14.745
    2.718
    12 Gennaio 2012
    praia a mare
    Reputazione:
    294.409.643
    320d E92 Msport
    cercando il codice del ricambio acquistato ho trovato su realoem questo particolare:

    [​IMG]

    in sostanza questa pulsantiera è stata sostituita gia dal 2006, sarà non compatibile?
     
  8. ____ANGEL___

    ____ANGEL___

    3.992
    1.147
    19 Novembre 2009
    Reputazione:
    207.690.840
    bmw
    ci sono due tipi di tecnologia LIN, la frm LIN2 supporta anche accessori LIN1 ma non il contrario. Puoi verificare se quel codice va bene per la tua inserendo il tuo vin e andando a vedere il categorico proposto. Idem per gli specchi... ma hai guardato la pulsantiera? i cavi li ha tutti?
     
  9. salpone

    salpone Presidente Onorario BMW

    14.745
    2.718
    12 Gennaio 2012
    praia a mare
    Reputazione:
    294.409.643
    320d E92 Msport
    con il mio vin non mi esce quel codice pulsantiera.

    per la pulsantiera ha tutti i cavi? vuoi dire se ha tutti gli spinotti?
     
  10. Thriller

    Thriller

    11.763
    4.250
    12 Gennaio 2014
    Ravenna
    Reputazione:
    719.140.625
    Ex Bmw 325d E91 LCI
    Se ti serve una mano non c'è problema.
     
  11. ____ANGEL___

    ____ANGEL___

    3.992
    1.147
    19 Novembre 2009
    Reputazione:
    207.690.840
    bmw
    no se hai tutti i cavi che risultano sullo schema. quale codice ti esce della tua pulsantiera?
     
  12. salpone

    salpone Presidente Onorario BMW

    14.745
    2.718
    12 Gennaio 2012
    praia a mare
    Reputazione:
    294.409.643
    320d E92 Msport
    la pulsantiera mia originale (no chiusura elettrica) ha 61319155507

    [h=1][/h]
     
  13. salpone

    salpone Presidente Onorario BMW

    14.745
    2.718
    12 Gennaio 2012
    praia a mare
    Reputazione:
    294.409.643
    320d E92 Msport
    [​IMG]
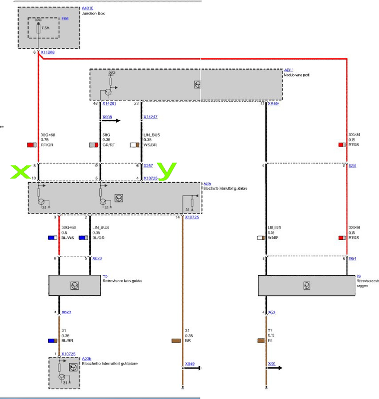
    stamattina fatta verifica collegamenti in sportello lato guida: tutto ok

    verifica cavetti da FMR a sportello: non si trova un caççççç

    in sostanza nello spinottone sportello guida mancano proprio gli spinottini (fili) sia del + (spinotto 8 segnato con x)- e sia il LINE bus (spinotto 6 segnato con y.

    ho predisposto il tutto , il + fisso preso dai fusibili mentre il filo LINE bus che si esce dalla FMR ma non va allo spinottone ma non so dove , ho fatto un parallelo per portarlo allo sportello.

    in pratica non funziona nulla , credo adesso voglia ricodificato ma, volevo sapere la linea LIN bus si può parallellare (tipo con rubacorrente)?
     
  14. salpone

    salpone Presidente Onorario BMW

    14.745
    2.718
    12 Gennaio 2012
    praia a mare
    Reputazione:
    294.409.643
    320d E92 Msport
    modifica specchietti elettrici FUNZIONA

    Finalmente funziona. pomeriggio ho controllato per ennesima volta collegamenti e noto che non mi arrivava il LIN bus alla pulsantiera ......ma cavolo stamattina ho passato i fili mancanti...controllo e praticamente nello spinottone dello sportello invece di nserirci gli spinotti maschi ci avevo messo le femmine. cambiato spinotti, ha subito funzionato tutto, vetri e specchi e chiusura specchi.

    in sostanza è stato fatto tutto come da retrofit bmw,che diceva solo di cablare lo sportello lato passeggero, ed invece nella mia mancavano proprio i collegamenti del +12v costante e il LIN bus dalla FMR allo spinotto portiera lato guida. ho avuto coraggio a smembrare cavi e rifare collegamenti ma alla fine ci sono , anzi siamo insieme a voi, riusciti.

    ora , ricordo di averlo spuntato, con [MENTION=53598]Thriller[/MENTION] alla codifica, la chiusura da telecomando, ma è l'unica cosa che non va, come la chiusura da pulsante, ma questo non so se va cosi, che appena spengo auto si chiudono/aprono da pulsantino ma dopo un pò che è spenta ne si aprono ne si chiudono se non inserisco chiave.
     
  15. ____ANGEL___

    ____ANGEL___

    3.992
    1.147
    19 Novembre 2009
    Reputazione:
    207.690.840
    bmw
    quindi vuol dire che prima avevi l'impianto LOW e ora hai l'HIGH, avevi l'impianto dell'altro schema.
     
  16. salpone

    salpone Presidente Onorario BMW

    14.745
    2.718
    12 Gennaio 2012
    praia a mare
    Reputazione:
    294.409.643
    320d E92 Msport
    HIgh tech.....li mortacci loroooooo :mrgreen:
     
  17. Fasterthanyou

    Fasterthanyou Primo Pilota

    1.271
    84
    18 Maggio 2012
    Reputazione:
    1.560.928
    BMW E91 320d - Elise 111R stage2
    [emoji1303]
     
  18. Giustyle

    Giustyle Presidente Onorario BMW

    10.303
    516
    14 Febbraio 2012
    Reputazione:
    5.912.556
    Bmw X5 F15
    Hai collegato il +12 ad un fisso e non sottochiave?
     
  19. ____ANGEL___

    ____ANGEL___

    3.992
    1.147
    19 Novembre 2009
    Reputazione:
    207.690.840
    bmw
    Il comportamento di apertura chiusura da te descritto è corretto, dopo un po' non devono più essere attivi dal tasto interno, idem i finestrini. Si chiudono se tieni premuto a lungo il tasto chiusura del telecomando e si riaprono con la normale apertura. E' necessario codificare almeno jbbf cas frm quando viene aggiunto l'optional specchi richiudibili ma è sempre consigliabile codificare l'intera auto
     
    Ultima modifica di un moderatore: 22 Agosto 2016
  20. salpone

    salpone Presidente Onorario BMW

    14.745
    2.718
    12 Gennaio 2012
    praia a mare
    Reputazione:
    294.409.643
    320d E92 Msport
    l'ho presa dal posto 2 (fusibiliera) come indicato dal retrofit Bmw, e almeno nelle prove fatte oggi avevo la 12v senza la chiave inserita

    ok capito la funzione interna, per la chiusura da telecomando i vetri si chiudono e aprono se tengo premuto il pulsante telecomando, gli specchi no.

    per la codifca ci capisco poco, mi ricordo di aver fatto ( [MENTION=53598]Thriller[/MENTION] ) sia il cas che la nfrm
     

Condividi questa Pagina