[Lunghissimo] Addio 911. Benvenuta Aero Supersports

Discussione in 'Auto Europee' iniziata da Ale_72, 23 Marzo 2013.

  1. VTEC

    VTEC Amministratore Delegato BMW

    4.624
    842
    15 Febbraio 2006
    Reputazione:
    766.673
    ...125...
    Per risolvere il "problema" mi sa che conviene acquistare una nuova leva... Che di primo sguardo mi sembra artigianale. Le BMW sono diverse...
     
    A 1 persona piace questo elemento.
  2. Ale_72

    Ale_72 Presidente Onorario BMW Top Reference

    57.899
    23.193
    27 Marzo 2007
    Reputazione:
    2.147.371.665
    Morgan AeroSS + AM Vantage S Roadster
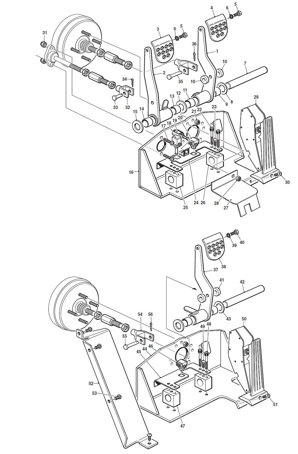
    E' sicuramente artigianale. Non so chi vi ha fatto pensare che la leva del freno fosse BMW. Quali sono le BMW che hanno il freno incernierato in basso?

    Per essere piu' precisi:

    [​IMG]
     
    Ultima modifica di un moderatore: 22 Agosto 2013
  3. VTEC

    VTEC Amministratore Delegato BMW

    4.624
    842
    15 Febbraio 2006
    Reputazione:
    766.673
    ...125...
    Nessuna lo ha in basso... (tranne qualcuna antica).

    P.S. Avevo letto male...
     
  4. gnappus2002

    gnappus2002 Presidente Onorario BMW

    6.599
    850
    1 Novembre 2010
    Reputazione:
    1.403.096
    bmw 335 cabrio
    Immagino colpa mia che ho parlato del pedale dell'acceleratore ;) /emoticons/wink@2x.png 2x" width="20" height="20" />

    Ed ora sappiamo che per Morgan, la filettatura nella leva del pedale è più che sufficente, alto che dado autobloccante...
     
  5. Lohengrin

    Lohengrin Direttore Corse

    2.193
    221
    24 Marzo 2011
    Reputazione:
    2.913.384
    BMW Z4 Sdrive23i
    Secondo me c'è anche l'autobloccante (pezzo 39 dell'esploso sopra)

    Chi ha fatto la prolunga ha fatto il foro non filettato e quindi ha dovuto per forza mettere un dado probabilmente togliendolo dalla sua posizione originale ritenendo sufficiente il serraggio nella leva filettata...
     
    Ultima modifica di un moderatore: 22 Agosto 2013
  6. gnappus2002

    gnappus2002 Presidente Onorario BMW

    6.599
    850
    1 Novembre 2010
    Reputazione:
    1.403.096
    bmw 335 cabrio
    Io l'ho ritenuta una rondella, un dado sarebbe andato dall'altra parte. Sinceramente su chi ha fatto la prolunga, dovrei anche chiedergli perchè ha segato il bullone che fissa il pedale alla prolunga... Oppure perchè invece quello che fissa la prolunga alla leva sporga così tanto (forse per metterci il famigerato dado che tanto logico appare?)

    Bello discutere per pagine di un pazzo di vite :D /emoticons/biggrin@2x.png 2x" width="20" height="20" />
     
    A 1 persona piace questo elemento.
  7. Lohengrin

    Lohengrin Direttore Corse

    2.193
    221
    24 Marzo 2011
    Reputazione:
    2.913.384
    BMW Z4 Sdrive23i
    Mi sa che hai ragione tu. E' una rondella.

    ps non avevo notato il taglio dell'altro bullone
     
  8. Ale_72

    Ale_72 Presidente Onorario BMW Top Reference

    57.899
    23.193
    27 Marzo 2007
    Reputazione:
    2.147.371.665
    Morgan AeroSS + AM Vantage S Roadster
    Per la solita teoria del (chi fa per se, fa per tre) + (se vuoi una cosa fatta bene, fattela da solo) = tutto sistemato.

    E se dopo quattro ore di macchina uno si mette a fare questo lavoro vuol dire che la macchina non e' stancante e che il freno era veramente fastidioso.

    Sono totnato su una macchina normale.

    Tutto fatto secondo "specifiche" morgan. Vite + rondella e pedalare.

    Pics will follow.
     
  9. Ale_72

    Ale_72 Presidente Onorario BMW Top Reference

    57.899
    23.193
    27 Marzo 2007
    Reputazione:
    2.147.371.665
    Morgan AeroSS + AM Vantage S Roadster
    Ed ecco le (pessime) foto unite

    [​IMG]
     
  10. VTEC

    VTEC Amministratore Delegato BMW

    4.624
    842
    15 Febbraio 2006
    Reputazione:
    766.673
    ...125...
    Ottimo!!!! ;) /emoticons/wink@2x.png 2x" width="20" height="20" />
     
  11. Cruel Intentions

    Cruel Intentions Presidente Onorario BMW

    18.642
    1.274
    6 Febbraio 2007
    Reputazione:
    24.377.552
    320i coupè E36, C2 HDI
    io un controdado l'avrei messo ugualmente alla faccia di mamma Morgan.
     
  12. Ale_72

    Ale_72 Presidente Onorario BMW Top Reference

    57.899
    23.193
    27 Marzo 2007
    Reputazione:
    2.147.371.665
    Morgan AeroSS + AM Vantage S Roadster
  13. stedony

    stedony Presidente Onorario BMW

    7.457
    1.406
    13 Agosto 2009
    Reputazione:
    80.534.779
    Lexus ux 300h
    è stato un piacere Ale ;) /emoticons/wink@2x.png 2x" width="20" height="20" />
     
    A 1 persona piace questo elemento.
  14. stedony

    stedony Presidente Onorario BMW

    7.457
    1.406
    13 Agosto 2009
    Reputazione:
    80.534.779
    Lexus ux 300h
    sono di parte ma mi piacciono molto come sono venute.. e quelle in b&n hanno un tocco in più secondo me..
     
    A 1 persona piace questo elemento.
  15. Ale_72

    Ale_72 Presidente Onorario BMW Top Reference

    57.899
    23.193
    27 Marzo 2007
    Reputazione:
    2.147.371.665
    Morgan AeroSS + AM Vantage S Roadster
    PS. Questa settimana fatti 1.200km circa. A parte 20km bloccato nel traffico a Lugano nord (dovrei avrei voluto morire dal caldo che veniva dalle DUE bocchette dell'aria e soprattutto dalla trasmissione) devo dire tutto bene. Poi ero diventato abbastanza impaziente nel tratto Como Milano e quindi ho forse superato di un attimo i limiti. Beh, sul dritto NON va piano (come dicevano in TopGear "let's go scaring some natives"). Peraltro dopo questa passata, lo scarico e' molto piu' borbottoso. Devo replicare, mi sa. :evilbat:
     
  16. LUPINN

    LUPINN Presidente Onorario BMW

    5.504
    204
    16 Luglio 2010
    Reputazione:
    1.319.371
    Audi RS3 + Audi Q7 2017 + AM Cygnet
    Foto bellissime!
     
  17. stedony

    stedony Presidente Onorario BMW

    7.457
    1.406
    13 Agosto 2009
    Reputazione:
    80.534.779
    Lexus ux 300h
    grazie;)
     
  18. Lohengrin

    Lohengrin Direttore Corse

    2.193
    221
    24 Marzo 2011
    Reputazione:
    2.913.384
    BMW Z4 Sdrive23i
    Sono tutte belle ma questa mi piace particolarmente :) /emoticons/smile@2x.png 2x" width="20" height="20" />

    [​IMG]
     
  19. stedony

    stedony Presidente Onorario BMW

    7.457
    1.406
    13 Agosto 2009
    Reputazione:
    80.534.779
    Lexus ux 300h
    hai visto come la guardava?
     
  20. PuccioE39

    PuccioE39 Presidente Onorario BMW

    63.697
    7.748
    11 Giugno 2005
    àtilacoL
    Reputazione:
    534.958.211
    otuA
    bravi bravi! :) /emoticons/smile@2x.png 2x" width="20" height="20" />
     

Condividi questa Pagina